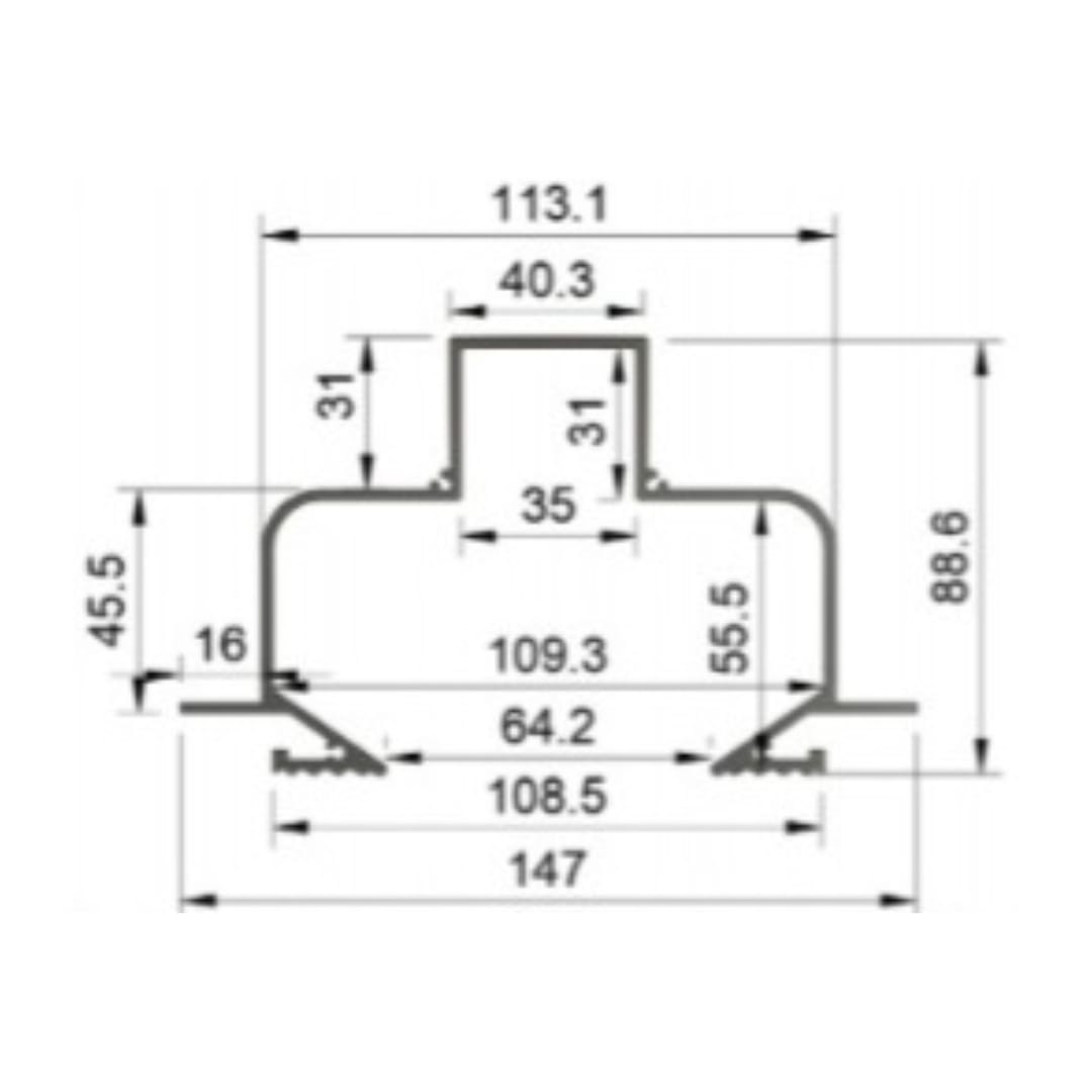
פרופיל לד AR-14888
פרופיל פעמון שקוע TRIMLESS רחב מיועד לשימוש תאורת פנים. עיצוב קלאסי ונקי מיוצר מאלומיניום, ניתן לצבוע בכל צבעי RAL. מיוצר בישראל ומאושר על יד מכון התקנים. נמכר לפי מטר. משלבים בתוך הפרופיל ספוטים מעוצבים לפ"צ בקו אפס עם התקרה.
- מידות חתך במ"מ
















